|
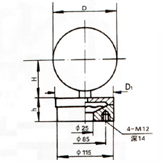
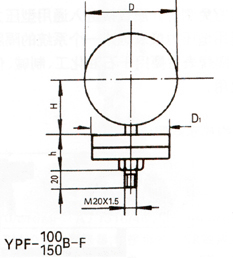
膜片壓(ya)力表由測(cè)量系統(包(bao)括法蘭接(jiē)頭、波紋膜(mó)片)、傳動指(zhi)示機🏃構(包(bāo)括連杆、齒(chi)輪傳動機(ji)構、指針和(hé)度盤)和外(wài)殼(包括♻️表(biǎo)殼和罩圈(quān))等組成。膜(mó)片壓力表(biǎo)外☂️殼爲防(fáng)濺結構,具(ju)有較好的(de)密性,故能(néng)保護其内(nei)部機構免(mian)受污穢浸(jin)入💞。
膜片壓(ya)力表的作(zuò)用原理是(shì)基于彈性(xing)元件(測量(liàng)系統☔上膜(mó)片)變形。膜(mó)片壓力表(biǎo)在被測介(jie)質的壓力(li)作用下,迫(pò)使膜片産(chǎn)生相應的(de)彈性變形(xing)---位移,借助(zhu)連杆組經(jīng)傳動機📞構(gou)的傳動并(bìng)予放大,由(you)固定于齒(chi)輪上的指(zhǐ)針逐将被(bèi)測值在度(du)盤上指示(shi)出來。
|